元器件&模块解决方案
全国服务热线
400 1386 882
139 0230 5242
鼎悦官网
关于我们
企业介绍
品牌文化
品牌荣誉
品牌视频
公司历程
合作伙伴
产品中心
欧姆龙继电器
欧姆龙开关
欧姆龙连接器
欧姆龙传感器
宏发继电器
继电器模组
MOS FET继电器
开关电源
磁保持继电器
高频继电器
安全继电器
信号继电器
功率继电器
车载/DC功率继电器
固态继电器
MOS FET继电器
继电器用插座
欧姆龙微动开关
欧姆龙检测开关
门用开关/电源开关
欧姆龙轻触开关
船型开关
欧姆龙按钮开关
工业用操作开关
DIP开关
拨码开关
带灯轻触开关
欧姆龙鼠标开关
欧姆龙触发开关
基板对FPC连接
基板对电线连接
板对板连接
外部连接
IC插座
短路连接器
USB Type-C接口检测设备
TAB连接器
ZD连接器
印刷基板用端子台
微型光电传感器
反射型传感器
振动传感器/倾倒传感器
人脸识别传感器
IOT传感器
MEMS非接触温度传感器
MEMS压力传感器
微型位移传感器/测距传感器
粉尘传感器
MEMS风量传感器
MEMS流量传感器
宏发继电器
继电器模组
光MOS继电器
AC/DC 壳架式电源
AC/DC 导轨式电源
模块电源
应用方案
产品应用
行业应用方案
车载设备
电脑相关
家电行业
能源行业
数码通讯
医疗行业
产业机械
楼宇安防
智能锁
微压差传感器应用方案
新能源电子部件解决方案
ATE行业解决方案
服务支持
技术支持
资料下载
开关资料下载
继电器资料下载
连接器资料下载
传感器资料下载
新闻动态
新品发布
新闻资讯
行业动态
公司动态
联系我们
首页
关于我们
关于我们
企业介绍
品牌文化
品牌荣誉
品牌视频
公司历程
合作伙伴
产品中心
产品中心
欧姆龙继电器
欧姆龙开关
欧姆龙连接器
欧姆龙传感器
宏发继电器
继电器模组
MOS FET继电器
开关电源
应用方案
应用方案
产品应用
行业应用方案
服务支持
服务支持
技术支持
资料下载
新闻动态
新闻动态
新品发布
新闻资讯
行业动态
公司动态
联系我们
首页
产品中心
MOS FET继电器
光MOS继电器
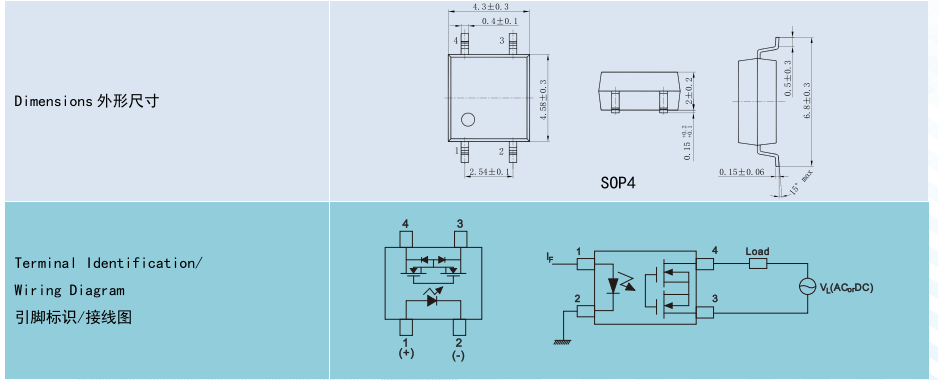
光MOS继电器SOP4/BCY412S/BCY414S
光MOS继电器SOP4/BCY412S/BCY414S
(Relay 光 MOS 继电器 SOP4),Product Model产品型号:BCY412S、BCY414S,Contact Form 触点形式:1b,Ambient Temperature 25°C,测试环境温度 25℃
立即咨询
种类
额定/性能
外形尺寸
注意事项
推荐产品
光藕继电器DIP6/SMD6/BCV252G
光MOS继电器(DIP6/SMD6)BCV212/BCV212G
MOS FET继电器BCY252/BCY252G
光MOS继电器BCY212E/BCY212/BCY215G1
点击咨询
电话咨询
400 1386 882
QQ咨询
3294649706
微信咨询
回到顶部
首页
产品
电话咨询